Арт.: 026243

Тройник PLS-LOCK-H25-T90 (с экраном MAT-L) (Arlight, Металл)

Распечатать
Поделиться
Общие характеристики
Тип товара
Крепёж
Материал корпуса
Алюминий
Гарантийный срок
2 год(а)
Модельный ряд
PLS-LOCK
6 80873

В наличии

Пакет (полиэтилен) 1 шт — 6 80873
Пакет (полиэтилен) 1 шт 6 80873
Файлы и программы
Описание
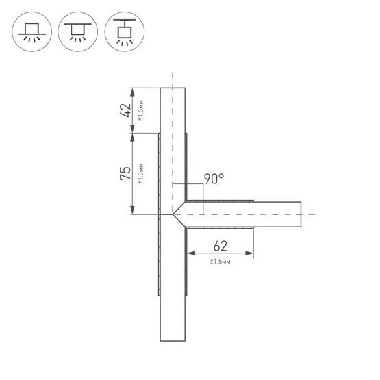
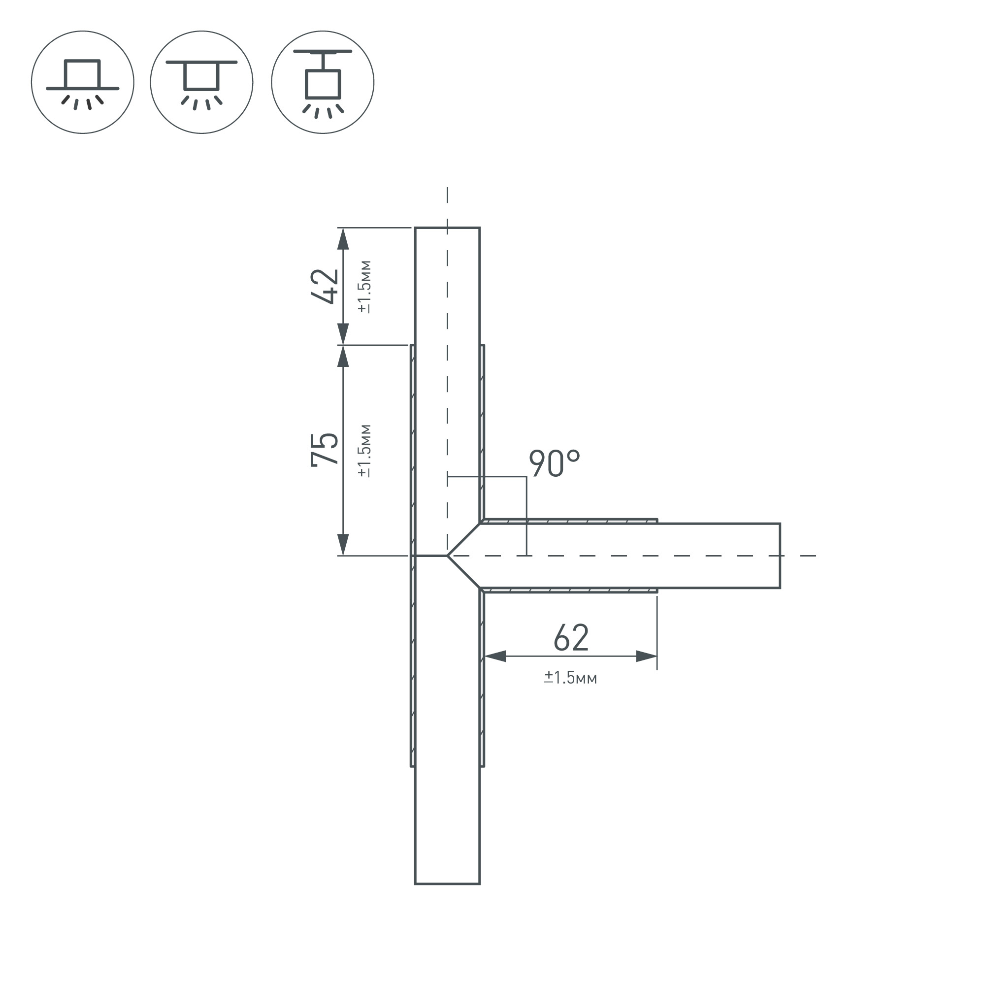
Угол в сборе для соединения трех профилей PLS-LOCK-H25 под углом 90° в одной плоскости в комплекте с матовым экраном и соединителями. Экран образует Т-образную фигуру на плоскости. Применяется при изготовлении светильников сложной геометрии. Цена за комплект.
Характеристики
Тройник в сборе, для соединения 3-х профилей PLS-LOCK-H25 под углом 90°. Ответвление под углом 90°. В комплекте матовый экран (арт.019189), соединители.
Общие
Артикул
026243
Тип товара
Крепёж
Материал корпуса
Алюминий
Гарантийный срок
2 год(а)
Модельный ряд
PLS-LOCK
Габариты
Высота
25 мм
Длина
234 мм
Ширина
128 мм
Другие
Кратность цены за 1 м/шт
1
Приоритет использования
Дополнительный